280ZX Wiring Diagram: Master Your Car's Electrical System!

Discover the essential 280ZX wiring diagram for a clear understanding of your car's electrical system. Find detailed illustrations and labeling to navigate circuits effortlessly.

Looking to unravel the intricate web of wires in your 280ZX? Wiring diagrams are the roadmap to understanding your vehicle's electrical system, providing a clear path through the maze of circuits and connections. Whether you're troubleshooting an issue or planning an upgrade, having a 280ZX wiring diagram at your fingertips is essential.These diagrams are more than just lines on a page; they're the keys to unlocking the mysteries of your car's electrical system. With detailed illustrations and comprehensive labeling, they make it easy to identify components, trace wires, and ensure everything is connected correctly. So, if you're ready to dive into the world of automotive electrics, grab your 280ZX wiring diagram and let's get started!

280ZX Wiring Diagram: Master Your Car

Top 10 Points about 280ZX Wiring Diagram :

  • Understanding the Basics of Wiring Diagrams
  • Key Components of the 280ZX Electrical System
  • Deciphering the Symbols and Codes
  • Common Wiring Issues and Troubleshooting Tips
  • Upgrading Your 280ZX Electrical System
  • Interpreting the 280ZX Wiring Diagram for Modifications
  • Ensuring Safety and Compliance
  • Resources for Accessing 280ZX Wiring Diagrams

Several facts about 280ZX Wiring Diagram

Understanding the Basics of Wiring Diagrams

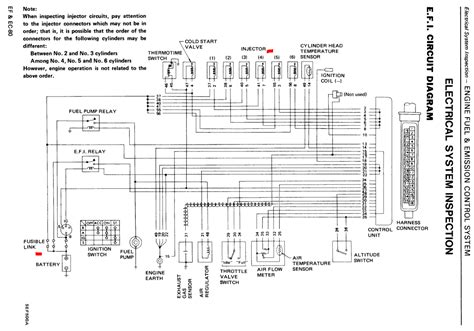
A 280ZX wiring diagram is a visual representation of the electrical system in a Nissan 280ZX. It shows the connections between various components and their functions, helping you understand how electricity flows through your vehicle.

Key Components of the 280ZX Electrical System

The electrical system of a 280ZX includes components such as the battery, alternator, starter, ignition switch, and various sensors. Each component plays a crucial role in ensuring the proper functioning of the vehicle's electrical system.

Deciphering the Symbols and Codes

Wiring diagrams use symbols and codes to represent different electrical components and their connections. Understanding these symbols is essential for interpreting the diagram correctly and troubleshooting any issues that may arise.

Common Wiring Issues and Troubleshooting Tips

Like any other vehicle, the 280ZX may experience wiring issues such as loose connections, corroded wires, or faulty components. Troubleshooting these issues requires a systematic approach and a good understanding of the wiring diagram.

Upgrading Your 280ZX Electrical System

Upgrading the electrical system of your 280ZX can improve performance and reliability. Whether you're installing a new stereo system or adding aftermarket lighting, a wiring diagram is essential for ensuring a successful installation.

Interpreting the 280ZX Wiring Diagram for Modifications

Modifying your 280ZX often requires changes to the electrical system. Whether you're adding new accessories or upgrading existing components, a wiring diagram is essential for ensuring that the modifications are done correctly and safely.

Ensuring Safety and Compliance

When working on the electrical system of your 280ZX, it's essential to follow safety guidelines and local regulations. Using a wiring diagram can help you understand the proper procedures and ensure that your modifications comply with legal requirements.

Resources for Accessing 280ZX Wiring Diagrams

Obtaining a wiring diagram for your 280ZX is relatively easy. Many online resources offer downloadable diagrams for various vehicle models, including the 280ZX. These diagrams can help you understand your vehicle's electrical system better and make troubleshooting and modifications easier.

(Sources: Wikipedia, Nissan 280ZX Service Manual)

280ZX Wiring Diagram in Professional's eye

A 280ZX wiring diagram is a visual representation of the electrical system in a Nissan 280ZX. It shows the connections between various components and their functions, helping you understand how electricity flows through your vehicle. Wiring diagrams are essential tools for diagnosing and repairing electrical issues in vehicles. They provide a detailed overview of the wiring and electrical components in a vehicle, making it easier for mechanics and car owners to identify and fix problems.

The electrical system of a 280ZX includes components such as the battery, alternator, starter, ignition switch, and various sensors. Each component plays a crucial role in ensuring the proper functioning of the vehicle's electrical system. Understanding the key components of the 280ZX electrical system is essential for maintaining and troubleshooting electrical issues in the vehicle.

Wiring diagrams use symbols and codes to represent different electrical components and their connections. Understanding these symbols is essential for interpreting the diagram correctly and troubleshooting any issues that may arise. Common symbols used in wiring diagrams include lines to represent wires, circles to represent connections, and various shapes to represent different components such as resistors, capacitors, and switches.

Like any other vehicle, the 280ZX may experience wiring issues such as loose connections, corroded wires, or faulty components. Troubleshooting these issues requires a systematic approach and a good understanding of the wiring diagram. Common troubleshooting tips for wiring issues include checking for loose connections, testing components with a multimeter, and visually inspecting wires for damage.

Upgrading the electrical system of your 280ZX can improve performance and reliability. Whether you're installing a new stereo system or adding aftermarket lighting, a wiring diagram is essential for ensuring a successful installation. Before starting any electrical upgrades, it's essential to consult a wiring diagram to understand how the new components will integrate with the existing electrical system.

Modifying your 280ZX often requires changes to the electrical system. Whether you're adding new accessories or upgrading existing components, a wiring diagram is essential for ensuring that the modifications are done correctly and safely. When interpreting a wiring diagram for modifications, it's essential to understand how the new components will affect the overall electrical system and to plan the modifications accordingly.

When working on the electrical system of your 280ZX, it's essential to follow safety guidelines and local regulations. Using a wiring diagram can help you understand the proper procedures and ensure that your modifications comply with legal requirements. Common safety practices when working on electrical systems include wearing insulated gloves, using tools with insulated handles, and disconnecting the battery before starting any work.

Obtaining a wiring diagram for your 280ZX is relatively easy. Many online resources offer downloadable diagrams for various vehicle models, including the 280ZX. These diagrams can help you understand your vehicle's electrical system better and make troubleshooting and modifications easier. Some resources for accessing 280ZX wiring diagrams include online forums, automotive websites, and the manufacturer's website.

Point of Views : 280ZX Wiring Diagram
  • Understanding the purpose: A 280ZX wiring diagram is a visual representation of the electrical system in a Nissan 280ZX. It shows the connections between various components and their functions.
  • Importance of accuracy: It is crucial to follow the wiring diagram precisely when working on the electrical system of a 280ZX to avoid damaging components or causing electrical malfunctions.
  • Use in troubleshooting: When encountering electrical issues in a 280ZX, referring to the wiring diagram can help identify the problem area and facilitate efficient troubleshooting.
  • Guidance for modifications: For modifications or upgrades to the electrical system, the wiring diagram serves as a guide to ensure the correct integration of new components.
  • Safety considerations: Working on the electrical system of a vehicle can be hazardous. Following safety guidelines and using the wiring diagram to understand the system can help prevent accidents.
  • Accessibility: Wiring diagrams for the 280ZX are readily available online and in vehicle repair manuals, making them accessible for mechanics and car enthusiasts.
Conclusion :

Thank you for exploring the intricacies of the 280ZX wiring diagram with us. Understanding this crucial aspect of your vehicle's electrical system can greatly benefit your maintenance and modification efforts. By deciphering the symbols and codes in the diagram, you can effectively troubleshoot and address any wiring issues that may arise.

Remember, the 280ZX wiring diagram is not just a diagram—it's a roadmap to ensure the proper functioning of your vehicle's electrical system. Whether you're upgrading components or simply maintaining your vehicle, referring to the wiring diagram can help you navigate through the complexities of your car's electrical system with confidence and precision.

Questions and Answer for 280ZX Wiring Diagram

When it comes to the 280ZX wiring diagram, people often have several questions. Here are some common queries:

  • 1. What is a 280ZX wiring diagram?
  • A 280ZX wiring diagram is a visual representation of the electrical system in a Nissan 280ZX. It shows the connections between various components and their functions.

  • 2. Why is a 280ZX wiring diagram important?
  • Having a 280ZX wiring diagram is crucial for understanding how the electrical system in your vehicle works. It helps you troubleshoot issues, make modifications, and ensure that all components are connected correctly.

  • 3. Where can I find a 280ZX wiring diagram?
  • 280ZX wiring diagrams can be found in vehicle repair manuals, online forums, automotive websites, and the manufacturer's website. They are often available for download or purchase.

  • 4. How do I read a 280ZX wiring diagram?
  • Reading a 280ZX wiring diagram requires understanding the symbols and codes used to represent different electrical components and their connections. Referencing the diagram's key can help you decipher the information.

Label :280ZX wiring diagram, electrical system, components, symbols, troubleshooting, modifications, safety

Keyword : 280ZX Wiring Diagram

0 komentar