Aermacchi Wiring Diagram Demystified: Master Your Bike's Electrics in 5 Steps!

Unlock the secrets of your Aermacchi's electrical system with our comprehensive wiring diagram guide. Master your bike's electrics in just a few steps!

Are you ready to dive into the intricate world of wiring diagrams? Hold onto your helmets as we explore the fascinating realm of aermacchi wiring diagrams. From unraveling the mysteries of electrical circuits to deciphering the language of schematics, this article is your guide to understanding the backbone of your beloved aermacchi. Whether you're a seasoned enthusiast or a curious beginner, join us on a journey through wires, connectors, and diagrams that will spark your curiosity and illuminate your understanding. Let's demystify the complexities and shed light on the electrifying world of aermacchi wiring diagrams!

Aermacchi Wiring Diagram Demystified: Master Your Bike

Top 10 Points about Aermacchi wiring diagram :

  • Understanding Aermacchi Wiring Diagram Basics
  • Key Components in Aermacchi Wiring Diagrams
  • Interpreting Symbols and Codes in Aermacchi Wiring Diagrams
  • Common Issues and Troubleshooting in Aermacchi Wiring
  • Proper Maintenance and Care for Aermacchi Electrical Systems
  • Upgrading and Customizing Aermacchi Wiring for Performance
  • Resources for Aermacchi Wiring Diagrams and Support
  • Expert Tips and Advice for Aermacchi Wiring Projects

Several facts about Aermacchi wiring diagram

Understanding Aermacchi Wiring Diagram Basics

Understanding Aermacchi Wiring Diagram Basics

Aermacchi wiring diagrams are essential tools for motorcycle enthusiasts and mechanics alike. They provide a visual representation of the electrical system, allowing for easier troubleshooting and repair. Understanding the basics of these diagrams is crucial for anyone working on an Aermacchi motorcycle.

Key Components in Aermacchi Wiring Diagrams

Key Components in Aermacchi Wiring Diagrams

Aermacchi wiring diagrams typically include key components such as the battery, ignition switch, starter motor, and various sensors and switches. Understanding these components and their functions is essential for interpreting the diagrams correctly.

Interpreting Symbols and Codes in Aermacchi Wiring Diagrams

Interpreting Symbols and Codes in Aermacchi Wiring Diagrams

Aermacchi wiring diagrams use symbols and codes to represent various electrical components and connections. Learning how to interpret these symbols and codes is crucial for understanding the wiring diagram and diagnosing electrical issues.

Common Issues and Troubleshooting in Aermacchi Wiring

Common Issues and Troubleshooting in Aermacchi Wiring

Aermacchi motorcycles may experience common wiring issues such as loose connections, frayed wires, or blown fuses. Troubleshooting these issues requires a good understanding of the wiring diagram and the electrical system.

Proper Maintenance and Care for Aermacchi Electrical Systems

Proper Maintenance and Care for Aermacchi Electrical Systems

Maintaining an Aermacchi motorcycle's electrical system is essential for its performance and longevity. Regular inspections, cleaning, and proper storage can help prevent wiring issues and ensure a smooth ride.

Upgrading and Customizing Aermacchi Wiring for Performance

Upgrading and Customizing Aermacchi Wiring for Performance

Enthusiasts often upgrade their Aermacchi's wiring for improved performance or customization. Understanding the wiring diagram is crucial for safely integrating new components or modifying the existing wiring.

Resources for Aermacchi Wiring Diagrams and Support

Resources for Aermacchi Wiring Diagrams and Support

Various resources are available for Aermacchi wiring diagrams and support, including online forums, service manuals, and manufacturer's websites. These resources can be invaluable for enthusiasts and mechanics alike.

Expert Tips and Advice for Aermacchi Wiring Projects

Expert Tips and Advice for Aermacchi Wiring Projects

Experts recommend following safety guidelines and consulting wiring diagrams thoroughly before starting any Aermacchi wiring project. Their tips and advice can help ensure a successful and safe wiring modification or repair.

Aermacchi wiring diagram in Professional's eye

Aermacchi Wiring Diagrams: A Comprehensive Guide

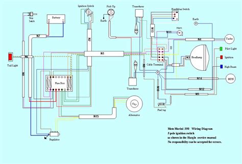
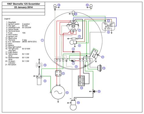
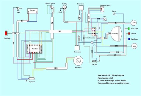
When it comes to understanding the electrical system of your Aermacchi motorcycle, wiring diagrams are essential tools. These diagrams provide a visual representation of the bike's electrical system, helping you understand how various components are connected and how they function together. In this guide, we will explore the basics of Aermacchi wiring diagrams, key components, interpreting symbols, common issues, maintenance tips, and more. Whether you're a seasoned mechanic or a DIY enthusiast, this guide will help you navigate the complexities of Aermacchi wiring diagrams with ease.

Understanding Aermacchi Wiring Diagram Basics

Before diving into the specifics of Aermacchi wiring diagrams, it's essential to understand the basics. Wiring diagrams are visual representations of the electrical system of a vehicle, showing how various components are connected and how electricity flows through the system. In Aermacchi wiring diagrams, wires are represented by lines, and components are represented by symbols. Understanding these basic elements is crucial for interpreting Aermacchi wiring diagrams accurately.

Key Components in Aermacchi Wiring Diagrams

Several key components are commonly found in Aermacchi wiring diagrams. These include the battery, ignition switch, starter relay, fuse box, and various sensors and switches. Each component plays a crucial role in the bike's electrical system, and understanding how they are connected is essential for troubleshooting and maintenance. By familiarizing yourself with these key components, you can better understand Aermacchi wiring diagrams and ensure that your bike's electrical system is functioning correctly.

Interpreting Symbols and Codes in Aermacchi Wiring Diagrams

One of the challenges of reading Aermacchi wiring diagrams is interpreting the symbols and codes used to represent components and connections. Common symbols include lines for wires, circles for connections, squares for components, and arrows for the direction of current flow. Understanding these symbols is crucial for accurately interpreting Aermacchi wiring diagrams. Additionally, codes may be used to indicate wire colors, gauges, and other important information. By familiarizing yourself with these symbols and codes, you can effectively read and understand Aermacchi wiring diagrams.

Common Issues and Troubleshooting in Aermacchi Wiring

Like any electrical system, Aermacchi wiring can experience issues over time. Common problems include loose connections, corroded wires, and faulty components. Troubleshooting these issues requires a systematic approach, starting with a visual inspection of the wiring and components. Using a Aermacchi wiring diagram, you can trace the flow of electricity through the system and identify any potential issues. By following a logical troubleshooting process, you can quickly diagnose and resolve Aermacchi wiring issues.

Proper Maintenance and Care for Aermacchi Electrical Systems

Maintaining your Aermacchi electrical system is crucial for ensuring reliable performance and preventing issues. Regular inspections, cleaning, and tightening of connections can help prevent corrosion and ensure proper electrical conductivity. Additionally, using the correct wiring diagram for your Aermacchi model can help you identify and address any potential issues before they become major problems. By following a regular maintenance schedule and taking proactive steps to care for your Aermacchi electrical system, you can enjoy years of trouble-free riding.

Upgrading and Customizing Aermacchi Wiring for Performance

If you're looking to improve the performance of your Aermacchi motorcycle, upgrading and customizing the wiring can be a great option. Upgrades such as higher gauge wires, upgraded connectors, and improved grounding can help improve electrical conductivity and reduce resistance, resulting in better performance. Customizing the wiring layout can also help reduce clutter and improve the overall aesthetics of your Aermacchi. However, it's essential to use a Aermacchi wiring diagram to ensure that any modifications are done correctly and safely.

Resources for Aermacchi Wiring Diagrams and Support

For Aermacchi owners looking for additional resources and support, there are several options available. Online forums and communities dedicated to Aermacchi motorcycles can be valuable sources of information and advice. Additionally, Aermacchi service manuals and wiring diagrams can be purchased from various sources, providing detailed information and guidance for maintaining and repairing your bike's electrical system. By taking advantage of these resources, you can ensure that your Aermacchi is properly maintained and performing at its best.

Expert Tips and Advice for Aermacchi Wiring Projects

When working on Aermacchi wiring projects, it's essential to follow best practices and safety guidelines. Always disconnect the battery before working on the electrical system, and use the correct tools and techniques for the job. Additionally, it can be helpful to seek advice from experienced Aermacchi enthusiasts or professionals, as they can offer valuable insights and tips. By following these expert tips and advice, you

Point of Views : Aermacchi wiring diagram
  • Aermacchi Wiring Diagrams: Wiring diagrams are essential tools for understanding the electrical systems of Aermacchi motorcycles. They provide a visual representation of how components are connected and how electricity flows through the system.
  • Complexity: Aermacchi wiring diagrams can be complex, with numerous components and connections. However, with a basic understanding of electrical principles and the symbols used in the diagrams, they can be deciphered.
  • Interpretation: Interpreting Aermacchi wiring diagrams requires careful attention to detail. Each symbol and line represents a specific component or connection, and understanding these is crucial for troubleshooting and maintenance.
  • Functionality: Aermacchi wiring diagrams help mechanics and enthusiasts understand how the electrical system functions as a whole. This understanding is essential for diagnosing and repairing electrical issues.
  • Importance: Aermacchi wiring diagrams are vital for ensuring the proper functioning of the motorcycle's electrical system. They provide a roadmap for troubleshooting and maintenance, helping to keep the bike running smoothly.
  • Accessibility: Aermacchi wiring diagrams are widely available in service manuals and online resources. This accessibility makes it easier for owners and mechanics to access the information they need to maintain and repair their motorcycles.
  • Evolution: As technology advances, Aermacchi wiring diagrams may become more complex. However, they will continue to be essential tools for understanding and maintaining the electrical systems of these iconic motorcycles.
  • Conclusion: In conclusion, Aermacchi wiring diagrams are invaluable resources for anyone working on these motorcycles. They provide a detailed look at the electrical system, helping to ensure that Aermacchi motorcycles continue to run smoothly for years to come.
Conclusion :

Thank you for exploring the world of Aermacchi wiring diagrams with us. We hope this comprehensive guide has provided you with valuable insights into understanding and interpreting these essential tools for your Aermacchi motorcycle. As you continue to work on your bike's electrical system, remember to refer back to this guide for reference and support. By understanding the basics of Aermacchi wiring diagrams, you can confidently tackle any electrical issues and ensure that your bike runs smoothly for years to come.

Whether you're a seasoned mechanic or a novice enthusiast, Aermacchi wiring diagrams can be a valuable resource for maintaining and repairing your motorcycle. By familiarizing yourself with the symbols and components in these diagrams, you can troubleshoot issues more effectively and make informed decisions about upgrades and modifications. We encourage you to continue exploring the world of Aermacchi motorcycles and to share your experiences and insights with other enthusiasts. Together, we can continue to celebrate and preserve the legacy of these iconic bikes.

Questions and Answer for Aermacchi wiring diagram

When it comes to Aermacchi wiring diagrams, there are several common questions that people often ask. Here are some of the most frequently asked questions along with their answers:

  • What is a wiring diagram?
  • A wiring diagram is a visual representation of the electrical system of a vehicle or machine. It shows how the various components are connected and how electricity flows through the system.

  • Why are wiring diagrams important?
  • Wiring diagrams are important because they help people understand how the electrical system of a vehicle or machine works. They are essential for troubleshooting electrical issues and for making modifications or upgrades to the system.

  • How do I read a wiring diagram?
  • Reading a wiring diagram involves understanding the symbols and lines used to represent the various components and connections in the electrical system. It also requires an understanding of how electricity flows through the system.

  • Where can I find a wiring diagram for my Aermacchi motorcycle?
  • Wiring diagrams for Aermacchi motorcycles can often be found in the motorcycle's service manual or owner's manual. They may also be available online through forums or websites dedicated to Aermacchi motorcycles.

Label :Aermacchi, Wiring Diagrams, Motorcycle, Electrical System, Symbols, Troubleshooting, Maintenance

Keyword : Aermacchi wiring diagram

0 komentar